Подшипник RMEY60-N (INA)

Подшипник RMEY60-N (INA)

Технические характеристики

Обозначение : RMEY60-N

Производитель : INA

Диаметр внутренний, мм : 60

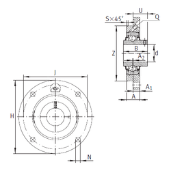
Технические данные из каталога производителя :

Внутренний диаметр (d) - 60 мм.

Размер (U) - 38,7

Резьба (Q) - Rp1/8

Размер (Z) - 135

Размер (A) - 29 мм.

Размер (A1) - 16 мм.

Размер (B) - 65,1 мм.

Размер (H) - 195 мм.

Размер (J) - 160 мм.

Размер (N) - 18 мм.

Размер (S) - 3 мм.

Размер (A2) - 1

Масса - 3,71 Кг

Грузоподъемность динамическая (C) - 52 кН

Грузоподъемность статическая (C0) - 36 кН

Количество дорожек качения - 1

Уплотнение - Есть

Цены указаны ознакомительные, для уточнения цены и наличия просим связаться с нами по телефону, или отправить заявку на почту - sales@specprompodshipnik.ru или по тел.: +7(499) 369-70-54

Возврат к списку