Подшипник RMEY35-N (INA)

Подшипник RMEY35-N (INA)

Технические характеристики

Обозначение : RMEY35-N

Производитель : INA

Диаметр внутренний, мм : 35

Технические данные из каталога производителя :

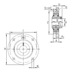
Внутренний диаметр (d) - 35 мм.

Размер (U) - 24,4

Резьба (Q) - М6

Размер (Z) - 90

Размер (A) - 20,5 мм.

Размер (A1) - 10 мм.

Размер (B) - 42,9 мм.

Размер (H) - 135 мм.

Размер (J) - 110 мм.

Размер (N) - 11,5 мм.

Размер (S) - 2 мм.

Размер (A2) - 1

Масса - 1,28 Кг

Грузоподъемность динамическая (C) - 25,5 кН

Грузоподъемность статическая (C0) - 15,3 кН

Количество дорожек качения - 1

Уплотнение - Есть

Цены указаны ознакомительные, для уточнения цены и наличия просим связаться с нами по телефону, или отправить заявку на почту - sales@specprompodshipnik.ru или по тел.: +7(499) 369-70-54

Возврат к списку