Подшипник RMEO90 (INA)

Подшипник RMEO90 (INA)

Технические характеристики

Обозначение : RMEO90

Производитель : INA

Диаметр внутренний, мм : 90

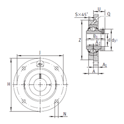
Технические данные из каталога производителя :

Внутренний диаметр (d) - 90 мм.

Размер (U) - 62,5

Резьба (Q) - Rp1/8

Размер (Z) - 220

Размер (d3) - 132 мм.

Размер (A) - 50 мм.

Размер (A1) - 22 мм.

Размер (B1) - 101 мм.

Размер (H) - 300 мм.

Размер (J) - 260 мм.

Размер (N) - 22 мм.

Размер (S) - 6 мм.

Размер (A2) - 3

Масса - 12,7 Кг

Грузоподъемность динамическая (C) - 143 кН

Грузоподъемность статическая (C0) - 107 кН

Количество дорожек качения - 1

Уплотнение - Есть

Цены указаны ознакомительные, для уточнения цены и наличия просим связаться с нами по телефону, или отправить заявку на почту - sales@specprompodshipnik.ru или по тел.: +7(499) 369-70-54

Возврат к списку