Подшипник RMEO70 (NKE)

Подшипник RMEO70 (NKE)

Технические характеристики

Обозначение : RMEO70

Производитель : NKE

Диаметр внутренний, мм : 70

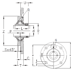
Технические данные из каталога производителя :

Внутренний диаметр (d) - 70 мм.

Размер (P) - 0,5

Размер (U) - 49,9

Размер (K) - 25

Размер (Z) - 185

Размер (A) - 300 мм.

Размер (C) - 25 мм.

Размер (L) - 75,4

Размер (M) - 252 мм.

Размер (R) - 102 мм.

Размер (S) - 4 мм.

Размер (T) - 43

Резьба (G) - R1/8“

Масса - 9 Кг

Количество дорожек качения - 1

Уплотнение - Есть

Цены указаны ознакомительные, для уточнения цены и наличия просим связаться с нами по телефону, или отправить заявку на почту - sales@specprompodshipnik.ru или по тел.: +7(499) 369-70-54

Возврат к списку