Подшипник RMEO70 (INA)

Подшипник RMEO70 (INA)

Технические характеристики

Обозначение : RMEO70

Производитель : INA

Диаметр внутренний, мм : 70

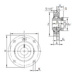
Технические данные из каталога производителя :

Внутренний диаметр (d) - 70 мм.

Размер (U) - 49,9

Резьба (Q) - Rp1/8

Размер (Z) - 185

Размер (d3) - 102 мм.

Размер (A) - 43 мм.

Размер (A1) - 25 мм.

Размер (B1) - 75,5 мм.

Размер (H) - 300 мм.

Размер (J) - 252 мм.

Размер (N) - 25 мм.

Размер (S) - 4 мм.

Размер (A2) - 0,5

Масса - 9 Кг

Грузоподъемность динамическая (C) - 104 кН

Грузоподъемность статическая (C0) - 68 кН

Количество дорожек качения - 1

Уплотнение - Есть

Цены указаны ознакомительные, для уточнения цены и наличия просим связаться с нами по телефону, или отправить заявку на почту - sales@specprompodshipnik.ru или по тел.: +7(499) 369-70-54

Возврат к списку