Подшипник RMEO60 (NKE)

Подшипник RMEO60 (NKE)

Технические характеристики

Обозначение : RMEO60

Производитель : NKE

Диаметр внутренний, мм : 60

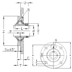
Технические данные из каталога производителя :

Внутренний диаметр (d) - 60 мм.

Размер (P) - 2,5

Размер (U) - 47,9

Размер (K) - 23

Размер (Z) - 160

Размер (A) - 256 мм.

Размер (C) - 22 мм.

Размер (L) - 68,4

Размер (M) - 212 мм.

Размер (R) - 89 мм.

Размер (S) - 3 мм.

Размер (T) - 36

Резьба (G) - R1/8“

Масса - 6 Кг

Количество дорожек качения - 1

Уплотнение - Есть

Цены указаны ознакомительные, для уточнения цены и наличия просим связаться с нами по телефону, или отправить заявку на почту - sales@specprompodshipnik.ru или по тел.: +7(499) 369-70-54

Возврат к списку