Подшипник RMEO50 (NKE)

Подшипник RMEO50 (NKE)

Технические характеристики

Обозначение : RMEO50

Производитель : NKE

Диаметр внутренний, мм : 50

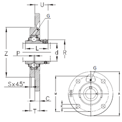
Технические данные из каталога производителя :

Внутренний диаметр (d) - 50 мм.

Размер (P) - 2,5

Размер (U) - 44,6

Размер (K) - 23

Размер (Z) - 140

Размер (A) - 230 мм.

Размер (C) - 19 мм.

Размер (L) - 66,7

Размер (M) - 187 мм.

Размер (R) - 75,8 мм.

Размер (S) - 2 мм.

Размер (T) - 31

Резьба (G) - R1/8“

Масса - 4,6 Кг

Количество дорожек качения - 1

Уплотнение - Есть

Цены указаны ознакомительные, для уточнения цены и наличия просим связаться с нами по телефону, или отправить заявку на почту - sales@specprompodshipnik.ru или по тел.: +7(499) 369-70-54

Возврат к списку