Подшипник RMEO40 (NKE)

Подшипник RMEO40 (NKE)

Технические характеристики

Обозначение : RMEO40

Производитель : NKE

Диаметр внутренний, мм : 40

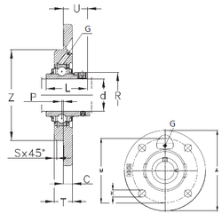
Технические данные из каталога производителя :

Внутренний диаметр (d) - 40 мм.

Размер (P) - 2,5

Размер (U) - 39,1

Размер (K) - 19

Размер (Z) - 115

Размер (A) - 194 мм.

Размер (C) - 17 мм.

Размер (L) - 54,6

Размер (M) - 158 мм.

Размер (R) - 63 мм.

Размер (S) - 2 мм.

Размер (T) - 27

Резьба (G) - M6

Масса - 2,8 Кг

Количество дорожек качения - 1

Уплотнение - Есть

Цены указаны ознакомительные, для уточнения цены и наличия просим связаться с нами по телефону, или отправить заявку на почту - sales@specprompodshipnik.ru или по тел.: +7(499) 369-70-54

Возврат к списку