Подшипник RMEO35 (INA)

Подшипник RMEO35 (INA)

Технические характеристики

Обозначение : RMEO35

Производитель : INA

Диаметр внутренний, мм : 35

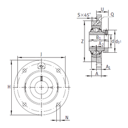
Технические данные из каталога производителя :

Внутренний диаметр (d) - 35 мм.

Размер (U) - 25,4

Резьба (Q) - М6

Размер (Z) - 100

Размер (d3) - 55 мм.

Размер (A) - 25 мм.

Размер (A1) - 16 мм.

Размер (B1) - 51,6 мм.

Размер (H) - 174 мм.

Размер (J) - 141 мм.

Размер (N) - 19 мм.

Размер (S) - 2 мм.

Размер (A2) - 2

Масса - 2,4 Кг

Грузоподъемность динамическая (C) - 36,5 кН

Грузоподъемность статическая (C0) - 20,9 кН

Количество дорожек качения - 1

Уплотнение - Есть

Цены указаны ознакомительные, для уточнения цены и наличия просим связаться с нами по телефону, или отправить заявку на почту - sales@specprompodshipnik.ru или по тел.: +7(499) 369-70-54

Возврат к списку