Подшипник RMEO100 (NKE)

Подшипник RMEO100 (NKE)

Технические характеристики

Обозначение : RMEO100

Производитель : NKE

Диаметр внутренний, мм : 100

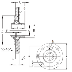
Технические данные из каталога производителя :

Внутренний диаметр (d) - 100 мм.

Размер (P) - -1,5

Размер (U) - 68,5

Размер (K) - 26

Размер (Z) - 250

Размер (A) - 340 мм.

Размер (C) - 27 мм.

Размер (L) - 109,5

Размер (M) - 295 мм.

Размер (R) - 145 мм.

Размер (S) - 8 мм.

Размер (T) - 57

Резьба (G) - R1/8“

Масса - 22,3 Кг

Количество дорожек качения - 1

Уплотнение - Есть

Цены указаны ознакомительные, для уточнения цены и наличия просим связаться с нами по телефону, или отправить заявку на почту - sales@specprompodshipnik.ru или по тел.: +7(499) 369-70-54

Возврат к списку