Подшипник RME80 (INA)

Технические характеристики

Обозначение : RME80

Производитель : INA

Диаметр внутренний, мм : 80

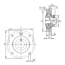
Технические данные из каталога производителя :

Внутренний диаметр (d) - 80 мм.

Размер (U) - 49,3

Резьба (Q) - Rp1/8

Размер (Z) - 160

Размер (d3) - 108 мм.

Размер (A) - 31 мм.

Размер (A1) - 18 мм.

Размер (B1) - 70,7 мм.

Размер (H) - 220 мм.

Размер (J) - 184 мм.

Размер (N) - 18 мм.

Размер (S) - 6 мм.

Размер (A2) - 2

Масса - 5,75 Кг

Грузоподъемность динамическая (C) - 72 кН

Грузоподъемность статическая (C0) - 54 кН

Количество дорожек качения - 1

Уплотнение - Есть

Цены указаны ознакомительные, для уточнения цены и наличия просим связаться с нами по телефону, или отправить заявку на почту - sales@specprompodshipnik.ru или по тел.: +7(499) 369-70-54

Возврат к списку