Подшипник RME65-214 (INA)

Подшипник RME65-214 (INA)

Технические характеристики

Обозначение : RME65-214

Производитель : INA

Диаметр внутренний, мм : 65

Технические данные из каталога производителя :

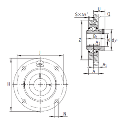
Внутренний диаметр (d) - 65 мм.

Размер (U) - 44,5

Резьба (Q) - Rp1/8

Размер (Z) - 150

Размер (d3) - 96 мм.

Размер (A) - 32 мм.

Размер (A1) - 18 мм.

Размер (B1) - 66 мм.

Размер (H) - 215 мм.

Размер (J) - 177 мм.

Размер (N) - 18 мм.

Размер (S) - 6 мм.

Масса - 5,81 Кг

Грузоподъемность динамическая (C) - 62 кН

Грузоподъемность статическая (C0) - 44 кН

Количество дорожек качения - 1

Уплотнение - Есть

Цены указаны ознакомительные, для уточнения цены и наличия просим связаться с нами по телефону, или отправить заявку на почту - sales@specprompodshipnik.ru или по тел.: +7(499) 369-70-54

Возврат к списку