Подшипник RME55 (NKE)

Технические характеристики

Обозначение : RME55

Производитель : NKE

Диаметр внутренний, мм : 55

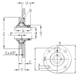
Технические данные из каталога производителя :

Внутренний диаметр (d) - 55 мм.

Размер (P) - 0

Размер (U) - 43,6

Размер (K) - 18

Размер (Z) - 125

Размер (A) - 185 мм.

Размер (C) - 15 мм.

Размер (L) - 71,4

Размер (M) - 150 мм.

Размер (R) - 76 мм.

Размер (S) - 3 мм.

Размер (T) - 27,5

Резьба (G) - M6

Масса - 3,37 Кг

Количество дорожек качения - 1

Уплотнение - Есть

Цены указаны ознакомительные, для уточнения цены и наличия просим связаться с нами по телефону, или отправить заявку на почту - sales@specprompodshipnik.ru или по тел.: +7(499) 369-70-54

Возврат к списку