Подшипник RME50-N (INA)

Подшипник RME50-N (INA)

Технические характеристики

Обозначение : RME50-N

Производитель : INA

Диаметр внутренний, мм : 50

Технические данные из каталога производителя :

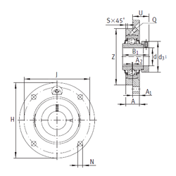
Внутренний диаметр (d) - 50 мм.

Размер (U) - 37,1

Резьба (Q) - M8X1

Размер (Z) - 110

Размер (d3) - 69 мм.

Размер (A) - 25 мм.

Размер (A1) - 13 мм.

Размер (B1) - 62,8 мм.

Размер (H) - 165 мм.

Размер (J) - 135 мм.

Размер (N) - 14 мм.

Размер (S) - 3 мм.

Размер (A2) - 1

Масса - 2,53 Кг

Грузоподъемность динамическая (C) - 35 кН

Грузоподъемность статическая (C0) - 23,2 кН

Количество дорожек качения - 1

Уплотнение - Есть

Цены указаны ознакомительные, для уточнения цены и наличия просим связаться с нами по телефону, или отправить заявку на почту - sales@specprompodshipnik.ru или по тел.: +7(499) 369-70-54

Возврат к списку