Подшипник RME30-N (NKE)

Подшипник RME30-N (NKE)

Технические характеристики

Обозначение : RME30-N

Производитель : NKE

Диаметр внутренний, мм : 30

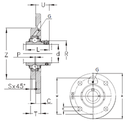
Технические данные из каталога производителя :

Внутренний диаметр (d) - 30 мм.

Размер (P) - 2

Размер (U) - 28,1

Размер (K) - 11,5

Размер (Z) - 80

Размер (A) - 125 мм.

Размер (C) - 9,5 мм.

Размер (L) - 48,4

Размер (M) - 100 мм.

Размер (R) - 44 мм.

Размер (S) - 2 мм.

Размер (T) - 20,5

Резьба (G) - M6

Масса - 1,04 Кг

Количество дорожек качения - 1

Уплотнение - Есть

Цены указаны ознакомительные, для уточнения цены и наличия просим связаться с нами по телефону, или отправить заявку на почту - sales@specprompodshipnik.ru или по тел.: +7(499) 369-70-54

Возврат к списку