Подшипник RME25-N (NKE)

Подшипник RME25-N (NKE)

Технические характеристики

Обозначение : RME25-N

Производитель : NKE

Диаметр внутренний, мм : 25

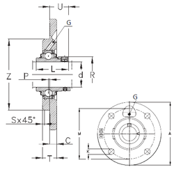
Технические данные из каталога производителя :

Внутренний диаметр (d) - 25 мм.

Размер (P) - 2,5

Размер (U) - 24,4

Размер (K) - 9

Размер (Z) - 70

Размер (A) - 115 мм.

Размер (C) - 9 мм.

Размер (L) - 44,4

Размер (M) - 90 мм.

Размер (R) - 37,5 мм.

Размер (S) - 2 мм.

Размер (T) - 19

Резьба (G) - M6

Масса - 0,8 Кг

Количество дорожек качения - 1

Уплотнение - Есть

Цены указаны ознакомительные, для уточнения цены и наличия просим связаться с нами по телефону, или отправить заявку на почту - sales@specprompodshipnik.ru или по тел.: +7(499) 369-70-54

Возврат к списку