Подшипник RME120 (INA)

Подшипник RME120 (INA)

Технические характеристики

Обозначение : RME120

Производитель : INA

Диаметр внутренний, мм : 120

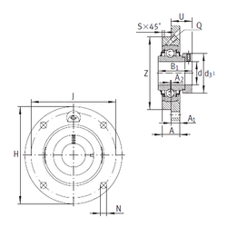
Технические данные из каталога производителя :

Внутренний диаметр (d) - 120 мм.

Размер (U) - 56,5

Резьба (Q) - Rp1/8

Размер (Z) - 250

Размер (d3) - 152 мм.

Размер (A) - 40 мм.

Размер (A1) - 24 мм.

Размер (B1) - 81 мм.

Размер (H) - 350 мм.

Размер (J) - 295 мм.

Размер (N) - 27 мм.

Размер (S) - 3 мм.

Размер (A2) - 4

Масса - 17,43 Кг

Грузоподъемность динамическая (C) - 155 кН

Грузоподъемность статическая (C0) - 131 кН

Количество дорожек качения - 1

Уплотнение - Есть

Цены указаны ознакомительные, для уточнения цены и наличия просим связаться с нами по телефону, или отправить заявку на почту - sales@specprompodshipnik.ru или по тел.: +7(499) 369-70-54

Возврат к списку