Подшипник RME100 (INA)

Подшипник RME100 (INA)

Технические характеристики

Обозначение : RME100

Производитель : INA

Диаметр внутренний, мм : 100

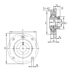
Технические данные из каталога производителя :

Внутренний диаметр (d) - 100 мм.

Размер (U) - 53,4

Резьба (Q) - Rp1/8

Размер (Z) - 210

Размер (d3) - 132 мм.

Размер (A) - 36 мм.

Размер (A1) - 22 мм.

Размер (B1) - 75 мм.

Размер (H) - 295 мм.

Размер (J) - 245 мм.

Размер (N) - 23 мм.

Размер (S) - 3 мм.

Размер (A2) - 4

Масса - 11,45 Кг

Грузоподъемность динамическая (C) - 122 кН

Грузоподъемность статическая (C0) - 93 кН

Количество дорожек качения - 1

Уплотнение - Есть

Цены указаны ознакомительные, для уточнения цены и наличия просим связаться с нами по телефону, или отправить заявку на почту - sales@specprompodshipnik.ru или по тел.: +7(499) 369-70-54

Возврат к списку