Подшипник RHE35 (INA)

Технические характеристики

Обозначение : RHE35

Производитель : INA

Диаметр внутренний, мм : 35

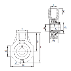
Технические данные из каталога производителя :

Внутренний диаметр (d) - 35 мм.

Размер (S1) - 32,5

Размер (K1) - 24

Резьба (Q) - Rp1/8

Резьба (K) - M24

Размер (d3) - 51 мм.

Размер (B1) - 51,3 мм.

Размер (L) - 122

Размер (L1) - 76 мм.

Размер (M) - 90 мм.

Размер (T) - 40

Размер (W) - 49

Размер (A2) - 32

Масса - 1,39 Кг

Грузоподъемность динамическая (C) - 25,5 кН

Грузоподъемность статическая (C0) - 15,3 кН

Количество дорожек качения - 1

Уплотнение - Есть

Цены указаны ознакомительные, для уточнения цены и наличия просим связаться с нами по телефону, или отправить заявку на почту - sales@specprompodshipnik.ru или по тел.: +7(499) 369-70-54

Возврат к списку