Подшипник RHE25 (INA)

Технические характеристики

Обозначение : RHE25

Производитель : INA

Диаметр внутренний, мм : 25

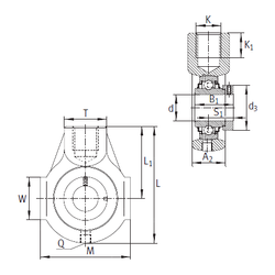
Технические данные из каталога производителя :

Внутренний диаметр (d) - 25 мм.

Размер (S1) - 27

Размер (K1) - 22

Резьба (Q) - Rp1/8

Резьба (K) - М20

Размер (d3) - 37,5 мм.

Размер (B1) - 44,5 мм.

Размер (L) - 99

Размер (L1) - 64 мм.

Размер (M) - 70 мм.

Размер (T) - 35

Размер (W) - 38

Размер (A2) - 28

Масса - 0,77 Кг

Грузоподъемность динамическая (C) - 14 кН

Грузоподъемность статическая (C0) - 7,8 кН

Количество дорожек качения - 1

Уплотнение - Есть

Цены указаны ознакомительные, для уточнения цены и наличия просим связаться с нами по телефону, или отправить заявку на почту - sales@specprompodshipnik.ru или по тел.: +7(499) 369-70-54

Возврат к списку