Подшипник RFE60 (INA)

Технические характеристики

Обозначение : RFE60

Производитель : INA

Диаметр внутренний, мм : 60

Технические данные из каталога производителя :

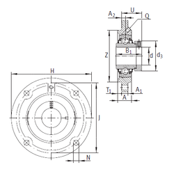
Внутренний диаметр (d) - 60 мм.

Размер (U) - 63,8

Резьба (Q) - Rp1/8

Размер (T1) - 4

Размер (Z) - 140

Размер (d3) - 84 мм.

Размер (A) - 33 мм.

Размер (A1) - 16 мм.

Размер (B1) - 77,9 мм.

Размер (H) - 195 мм.

Размер (J) - 165 мм.

Размер (N) - 14 мм.

Размер (A2) - 17

Масса - 3,99 Кг

Грузоподъемность динамическая (C) - 52 кН

Грузоподъемность статическая (C0) - 36 кН

Количество дорожек качения - 1

Уплотнение - Есть

Цены указаны ознакомительные, для уточнения цены и наличия просим связаться с нами по телефону, или отправить заявку на почту - sales@specprompodshipnik.ru или по тел.: +7(499) 369-70-54

Возврат к списку