Подшипник RFE35 (INA)

Технические характеристики

Обозначение : RFE35

Производитель : INA

Диаметр внутренний, мм : 35

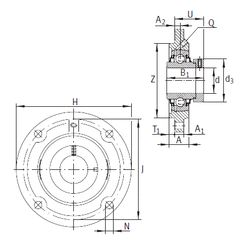
Технические данные из каталога производителя :

Внутренний диаметр (d) - 35 мм.

Размер (U) - 41,3

Резьба (Q) - Rp1/8

Размер (T1) - 4

Размер (Z) - 90

Размер (d3) - 51 мм.

Размер (A) - 22,5 мм.

Размер (A1) - 10 мм.

Размер (B1) - 51,3 мм.

Размер (H) - 135 мм.

Размер (J) - 110 мм.

Размер (N) - 11,5 мм.

Размер (A2) - 9

Масса - 1,3 Кг

Грузоподъемность динамическая (C) - 25,5 кН

Грузоподъемность статическая (C0) - 15,3 кН

Количество дорожек качения - 1

Уплотнение - Есть

Цены указаны ознакомительные, для уточнения цены и наличия просим связаться с нами по телефону, или отправить заявку на почту - sales@specprompodshipnik.ru или по тел.: +7(499) 369-70-54

Возврат к списку