Подшипник RFE30 (INA)

Технические характеристики

Обозначение : RFE30

Производитель : INA

Диаметр внутренний, мм : 30

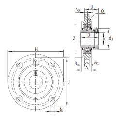
Технические данные из каталога производителя :

Внутренний диаметр (d) - 30 мм.

Размер (U) - 40,6

Резьба (Q) - Rp1/8

Размер (T1) - 3

Размер (Z) - 85

Размер (d3) - 44 мм.

Размер (A) - 22,5 мм.

Размер (A1) - 9,5 мм.

Размер (B1) - 48,5 мм.

Размер (H) - 127 мм.

Размер (J) - 105 мм.

Размер (N) - 9 мм.

Размер (A2) - 10,5

Масса - 1,08 Кг

Грузоподъемность динамическая (C) - 19,5 кН

Грузоподъемность статическая (C0) - 11,3 кН

Количество дорожек качения - 1

Уплотнение - Есть

Цены указаны ознакомительные, для уточнения цены и наличия просим связаться с нами по телефону, или отправить заявку на почту - sales@specprompodshipnik.ru или по тел.: +7(499) 369-70-54

Возврат к списку