Подшипник RCSMF25 (INA)

Подшипник RCSMF25 (INA)

Технические характеристики

Обозначение : RCSMF25

Производитель : INA

Диаметр внутренний, мм : 25

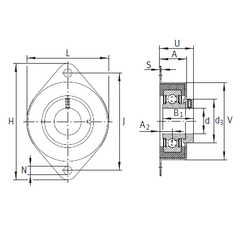
Технические данные из каталога производителя :

Внутренний диаметр (d) - 25 мм.

Размер (V) - 68

Размер (U) - 36,2

Размер (d3) - 37,5 мм.

Размер (A) - 27 мм.

Размер (B1) - 31 мм.

Размер (H) - 114 мм.

Размер (J) - 92 мм.

Размер (L) - 70

Размер (N) - 10,5 мм.

Размер (S) - 1,5 мм.

Размер (A2) - 12,7

Масса - 0,33 Кг

Количество дорожек качения - 1

Уплотнение - Есть

Цены указаны ознакомительные, для уточнения цены и наличия просим связаться с нами по телефону, или отправить заявку на почту - sales@specprompodshipnik.ru или по тел.: +7(499) 369-70-54

Возврат к списку