Подшипник RCSMF17 (INA)

Подшипник RCSMF17 (INA)

Технические характеристики

Обозначение : RCSMF17

Производитель : INA

Диаметр внутренний, мм : 17

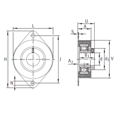
Технические данные из каталога производителя :

Внутренний диаметр (d) - 17 мм.

Размер (V) - 68

Размер (U) - 34,8

Размер (d3) - 28 мм.

Размер (A) - 27 мм.

Размер (B1) - 28,6 мм.

Размер (H) - 114 мм.

Размер (J) - 92 мм.

Размер (L) - 70

Размер (N) - 10,5 мм.

Размер (S) - 1,5 мм.

Размер (A2) - 12,7

Масса - 0,27 Кг

Количество дорожек качения - 1

Уплотнение - Есть

Цены указаны ознакомительные, для уточнения цены и наличия просим связаться с нами по телефону, или отправить заявку на почту - sales@specprompodshipnik.ru или по тел.: +7(499) 369-70-54

Возврат к списку