Подшипник RCJY35-JIS (INA)

Подшипник RCJY35-JIS (INA)

Технические характеристики

Обозначение : RCJY35-JIS

Производитель : INA

Диаметр внутренний, мм : 35

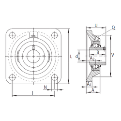
Технические данные из каталога производителя :

Внутренний диаметр (d) - 35 мм.

Размер (U) - 44,4

Резьба (Q) - М6

Размер (A) - 34 мм.

Размер (A1) - 16 мм.

Размер (B) - 42,9 мм.

Размер (J) - 92 мм.

Размер (L) - 117

Размер (N) - 14 мм.

Размер (A2) - 19

Масса - 1,47 Кг

Грузоподъемность динамическая (C) - 25,5 кН

Грузоподъемность статическая (C0) - 15,3 кН

Количество дорожек качения - 1

Уплотнение - Есть

Цены указаны ознакомительные, для уточнения цены и наличия просим связаться с нами по телефону, или отправить заявку на почту - sales@specprompodshipnik.ru или по тел.: +7(499) 369-70-54

Возврат к списку