Подшипник RCJY30-N (NKE)

Подшипник RCJY30-N (NKE)

Технические характеристики

Обозначение : RCJY30-N

Производитель : NKE

Диаметр внутренний, мм : 30

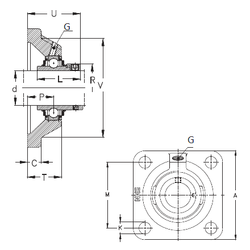
Технические данные из каталога производителя :

Внутренний диаметр (d) - 30 мм.

Размер (P) - 20

Размер (V) - 85

Размер (U) - 42,2

Размер (K) - 11,5

Размер (A) - 108 мм.

Размер (C) - 12 мм.

Размер (L) - 38,1

Размер (M) - 82,5 мм.

Размер (T) - 29

Резьба (G) - R1/8“

Масса - 1,11 Кг

Количество дорожек качения - 1

Уплотнение - Есть

Цены указаны ознакомительные, для уточнения цены и наличия просим связаться с нами по телефону, или отправить заявку на почту - sales@specprompodshipnik.ru или по тел.: +7(499) 369-70-54

Возврат к списку