Подшипник RCJY30-JIS (INA)

Подшипник RCJY30-JIS (INA)

Технические характеристики

Обозначение : RCJY30-JIS

Производитель : INA

Диаметр внутренний, мм : 30

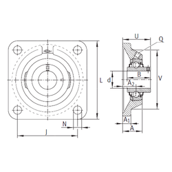
Технические данные из каталога производителя :

Внутренний диаметр (d) - 30 мм.

Размер (U) - 40,2

Резьба (Q) - М6

Размер (A) - 31 мм.

Размер (A1) - 14 мм.

Размер (B) - 38,1 мм.

Размер (J) - 83 мм.

Размер (L) - 108

Размер (N) - 12 мм.

Размер (A2) - 18

Масса - 1,17 Кг

Грузоподъемность динамическая (C) - 19,5 кН

Грузоподъемность статическая (C0) - 11,3 кН

Количество дорожек качения - 1

Уплотнение - Есть

Цены указаны ознакомительные, для уточнения цены и наличия просим связаться с нами по телефону, или отправить заявку на почту - sales@specprompodshipnik.ru или по тел.: +7(499) 369-70-54

Возврат к списку