Подшипник RCJY25-JIS (INA)

Подшипник RCJY25-JIS (INA)

Технические характеристики

Обозначение : RCJY25-JIS

Производитель : INA

Диаметр внутренний, мм : 25

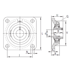
Технические данные из каталога производителя :

Внутренний диаметр (d) - 25 мм.

Размер (U) - 35,8

Резьба (Q) - М6

Размер (A) - 27 мм.

Размер (A1) - 14 мм.

Размер (B) - 34,1 мм.

Размер (J) - 70 мм.

Размер (L) - 95

Размер (N) - 12 мм.

Размер (A2) - 16

Масса - 0,76 Кг

Грузоподъемность динамическая (C) - 14 кН

Грузоподъемность статическая (C0) - 7,8 кН

Количество дорожек качения - 1

Уплотнение - Есть

Цены указаны ознакомительные, для уточнения цены и наличия просим связаться с нами по телефону, или отправить заявку на почту - sales@specprompodshipnik.ru или по тел.: +7(499) 369-70-54

Возврат к списку