Подшипник RCJY20-N (INA)

Подшипник RCJY20-N (INA)

Технические характеристики

Обозначение : RCJY20-N

Производитель : INA

Диаметр внутренний, мм : 20

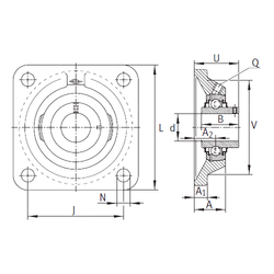
Технические данные из каталога производителя :

Внутренний диаметр (d) - 20 мм.

Размер (V) - 68

Размер (U) - 37,3

Резьба (Q) - Rp1/8

Размер (A) - 29 мм.

Размер (A1) - 10 мм.

Размер (B) - 31 мм.

Размер (J) - 63,5 мм.

Размер (L) - 86

Размер (N) - 11,5 мм.

Размер (A2) - 19

Масса - 0,62 Кг

Грузоподъемность динамическая (C) - 12,8 кН

Грузоподъемность статическая (C0) - 6,6 кН

Количество дорожек качения - 1

Уплотнение - Есть

Цены указаны ознакомительные, для уточнения цены и наличия просим связаться с нами по телефону, или отправить заявку на почту - sales@specprompodshipnik.ru или по тел.: +7(499) 369-70-54

Возврат к списку