Подшипник RCJY17 (INA)

Подшипник RCJY17 (INA)

Технические характеристики

Обозначение : RCJY17

Производитель : INA

Диаметр внутренний, мм : 17

Технические данные из каталога производителя :

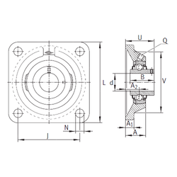
Внутренний диаметр (d) - 17 мм.

Размер (V) - 58

Размер (U) - 32,9

Резьба (Q) - М6

Размер (A) - 27 мм.

Размер (A1) - 9,5 мм.

Размер (B) - 27,4 мм.

Размер (J) - 54 мм.

Размер (L) - 76

Размер (N) - 11,5 мм.

Размер (A2) - 17

Масса - 0,51 Кг

Грузоподъемность динамическая (C) - 9,8 кН

Грузоподъемность статическая (C0) - 4,75 кН

Количество дорожек качения - 1

Уплотнение - Есть

Цены указаны ознакомительные, для уточнения цены и наличия просим связаться с нами по телефону, или отправить заявку на почту - sales@specprompodshipnik.ru или по тел.: +7(499) 369-70-54

Возврат к списку