Подшипник RCJY1 (INA)

Технические характеристики

Обозначение : RCJY1

Производитель : INA

Диаметр внутренний, мм : 25,4

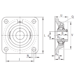
Технические данные из каталога производителя :

Внутренний диаметр (d) - 25,4 мм.

Размер (V) - 80,01

Размер (U) - 38,811

Резьба (Q) - 1/8 NPT

Размер (A) - 30,505 мм.

Размер (A1) - 13,005 мм.

Размер (B) - 34,112 мм.

Размер (J) - 70,002 мм.

Размер (L) - 95,504

Размер (N) - 11,506 мм.

Размер (A2) - 18,999

Масса - 0,848 Кг

Количество дорожек качения - 1

Уплотнение - Есть

Цены указаны ознакомительные, для уточнения цены и наличия просим связаться с нами по телефону, или отправить заявку на почту - sales@specprompodshipnik.ru или по тел.: +7(499) 369-70-54

Возврат к списку