Подшипник RCJY1-1/4 (INA)

Подшипник RCJY1-1/4 (INA)

Технические характеристики

Обозначение : RCJY1-1/4

Производитель : INA

Диаметр внутренний, мм : 31.75

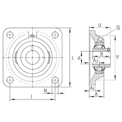
Технические данные из каталога производителя :

Внутренний диаметр (d) - 31.75 мм.

Размер (V) - 103,988

Размер (U) - 46,406

Резьба (Q) - 1/8 NPT

Размер (A) - 34,493 мм.

Размер (A1) - 13,487 мм.

Размер (B) - 42,901 мм.

Размер (J) - 91,999 мм.

Размер (L) - 118,491

Размер (N) - 13,995 мм.

Размер (A2) - 21,006

Масса - 1,619 Кг

Количество дорожек качения - 1

Уплотнение - Есть

Цены указаны ознакомительные, для уточнения цены и наличия просим связаться с нами по телефону, или отправить заявку на почту - sales@specprompodshipnik.ru или по тел.: +7(499) 369-70-54

Возврат к списку