Подшипник RCJTZ20 (INA)

Подшипник RCJTZ20 (INA)

Технические характеристики

Обозначение : RCJTZ20

Производитель : INA

Диаметр внутренний, мм : 20

Технические данные из каталога производителя :

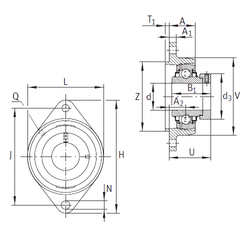
Внутренний диаметр (d) - 20 мм.

Размер (V) - 60,5

Размер (U) - 45,6

Резьба (Q) - Rp1/8

Размер (T1) - 3,5

Размер (Z) - 55

Размер (d3) - 33 мм.

Размер (A) - 31,7 мм.

Размер (A1) - 10 мм.

Размер (B1) - 43,7 мм.

Размер (H) - 112,5 мм.

Размер (J) - 90 мм.

Размер (L) - 60,5

Размер (N) - 11,5 мм.

Размер (A2) - 19

Масса - 0,53 Кг

Грузоподъемность динамическая (C) - 12,8 кН

Грузоподъемность статическая (C0) - 6,5 кН

Количество дорожек качения - 1

Уплотнение - Есть

Цены указаны ознакомительные, для уточнения цены и наличия просим связаться с нами по телефону, или отправить заявку на почту - sales@specprompodshipnik.ru или по тел.: +7(499) 369-70-54

Возврат к списку