Подшипник RCJTY55 (NKE)

Подшипник RCJTY55 (NKE)

Технические характеристики

Обозначение : RCJTY55

Производитель : NKE

Диаметр внутренний, мм : 55

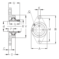
Технические данные из каталога производителя :

Внутренний диаметр (d) - 55 мм.

Размер (P) - 31

Размер (V) - 134

Размер (U) - 64,4

Размер (K) - 18

Размер (A) - 134 мм.

Размер (B) - 222 мм.

Размер (C) - 15 мм.

Размер (L) - 55,6

Размер (M) - 184 мм.

Размер (T) - 43,5

Резьба (G) - R1/8“

Масса - 2,6 Кг

Количество дорожек качения - 1

Уплотнение - Есть

Цены указаны ознакомительные, для уточнения цены и наличия просим связаться с нами по телефону, или отправить заявку на почту - sales@specprompodshipnik.ru или по тел.: +7(499) 369-70-54

Возврат к списку