Подшипник RCJTY55-JIS (INA)

Подшипник RCJTY55-JIS (INA)

Технические характеристики

Обозначение : RCJTY55-JIS

Производитель : INA

Диаметр внутренний, мм : 55

Технические данные из каталога производителя :

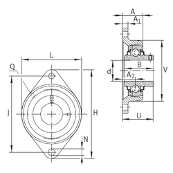
Внутренний диаметр (d) - 55 мм.

Размер (Q) - М6

Размер (U) - 58,4

Размер (A) - 43 мм.

Размер (A1) - 20 мм.

Размер (B) - 55,6 мм.

Размер (H) - 224 мм.

Размер (J) - 184 мм.

Размер (L) - 130

Размер (N) - 19 мм.

Размер (A2) - 25

Масса - 2,83 Кг

Грузоподъемность динамическая (C) - 43,5 кН

Грузоподъемность статическая (C0) - 29 кН

Количество дорожек качения - 1

Уплотнение - Есть

Цены указаны ознакомительные, для уточнения цены и наличия просим связаться с нами по телефону, или отправить заявку на почту - sales@specprompodshipnik.ru или по тел.: +7(499) 369-70-54

Возврат к списку