Подшипник RCJTY45-JIS (INA)

Подшипник RCJTY45-JIS (INA)

Технические характеристики

Обозначение : RCJTY45-JIS

Производитель : INA

Диаметр внутренний, мм : 45

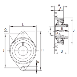
Технические данные из каталога производителя :

Внутренний диаметр (d) - 45 мм.

Размер (Q) - М6

Размер (U) - 52,2

Размер (A) - 38 мм.

Размер (A1) - 18 мм.

Размер (B) - 49,2 мм.

Размер (H) - 188 мм.

Размер (J) - 148 мм.

Размер (L) - 108

Размер (N) - 19 мм.

Размер (A2) - 22

Масса - 1,94 Кг

Грузоподъемность динамическая (C) - 32,5 кН

Грузоподъемность статическая (C0) - 20,4 кН

Количество дорожек качения - 1

Уплотнение - Есть

Цены указаны ознакомительные, для уточнения цены и наличия просим связаться с нами по телефону, или отправить заявку на почту - sales@specprompodshipnik.ru или по тел.: +7(499) 369-70-54

Возврат к списку