Подшипник RCJTY40-N (NKE)

Подшипник RCJTY40-N (NKE)

Технические характеристики

Обозначение : RCJTY40-N

Производитель : NKE

Диаметр внутренний, мм : 40

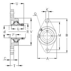
Технические данные из каталога производителя :

Внутренний диаметр (d) - 40 мм.

Размер (P) - 24

Размер (V) - 105

Размер (U) - 54,2

Размер (K) - 14

Размер (A) - 105 мм.

Размер (B) - 172 мм.

Размер (C) - 13 мм.

Размер (L) - 49,2

Размер (M) - 143,5 мм.

Размер (T) - 34,5

Резьба (G) - R1/8“

Масса - 1,57 Кг

Количество дорожек качения - 1

Уплотнение - Есть

Цены указаны ознакомительные, для уточнения цены и наличия просим связаться с нами по телефону, или отправить заявку на почту - sales@specprompodshipnik.ru или по тел.: +7(499) 369-70-54

Возврат к списку