Подшипник RCJTY40-JIS (INA)

Подшипник RCJTY40-JIS (INA)

Технические характеристики

Обозначение : RCJTY40-JIS

Производитель : INA

Диаметр внутренний, мм : 40

Технические данные из каталога производителя :

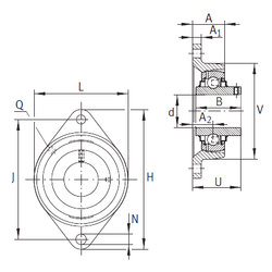
Внутренний диаметр (d) - 40 мм.

Размер (Q) - М6

Размер (U) - 51,2

Размер (A) - 36 мм.

Размер (A1) - 16 мм.

Размер (B) - 49,2 мм.

Размер (H) - 175 мм.

Размер (J) - 144 мм.

Размер (L) - 100

Размер (N) - 16 мм.

Размер (A2) - 21

Масса - 1,51 Кг

Грузоподъемность динамическая (C) - 32,5 кН

Грузоподъемность статическая (C0) - 19,8 кН

Количество дорожек качения - 1

Уплотнение - Есть

Цены указаны ознакомительные, для уточнения цены и наличия просим связаться с нами по телефону, или отправить заявку на почту - sales@specprompodshipnik.ru или по тел.: +7(499) 369-70-54

Возврат к списку