Подшипник RCJTY3/4 (INA)

Подшипник RCJTY3/4 (INA)

Технические характеристики

Обозначение : RCJTY3/4

Производитель : INA

Диаметр внутренний, мм : 19.05

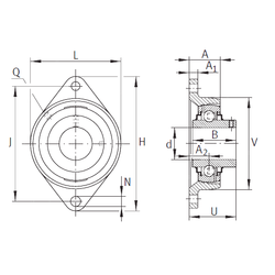
Технические данные из каталога производителя :

Внутренний диаметр (d) - 19.05 мм.

Размер (V) - 62,992

Размер (U) - 37,313

Резьба (Q) - 1/4-28 UNF

Размер (A) - 29,489 мм.

Размер (A1) - 10,998 мм.

Размер (B) - 30,988 мм.

Размер (H) - 111,989 мм.

Размер (J) - 89,992 мм.

Размер (L) - 62,001

Размер (N) - 11,506 мм.

Размер (A2) - 18,999

Масса - 0,499 Кг

Количество дорожек качения - 1

Уплотнение - Есть

Цены указаны ознакомительные, для уточнения цены и наличия просим связаться с нами по телефону, или отправить заявку на почту - sales@specprompodshipnik.ru или по тел.: +7(499) 369-70-54

Возврат к списку