Подшипник RCJTY25-N (INA)

Подшипник RCJTY25-N (INA)

Технические характеристики

Обозначение : RCJTY25-N

Производитель : INA

Диаметр внутренний, мм : 25

Технические данные из каталога производителя :

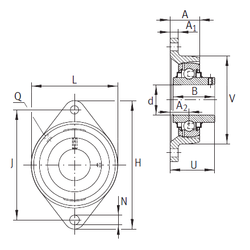
Внутренний диаметр (d) - 25 мм.

Размер (V) - 70

Размер (U) - 38,8

Резьба (Q) - Rp1/8

Размер (A) - 26,5 мм.

Размер (A1) - 11 мм.

Размер (B) - 34,1 мм.

Размер (H) - 124 мм.

Размер (J) - 99 мм.

Размер (L) - 70

Размер (N) - 11,5 мм.

Размер (A2) - 19

Масса - 0,57 Кг

Грузоподъемность динамическая (C) - 14 кН

Грузоподъемность статическая (C0) - 7,8 кН

Количество дорожек качения - 1

Уплотнение - Есть

Цены указаны ознакомительные, для уточнения цены и наличия просим связаться с нами по телефону, или отправить заявку на почту - sales@specprompodshipnik.ru или по тел.: +7(499) 369-70-54

Возврат к списку