Подшипник RCJTY20-N (NKE)

Подшипник RCJTY20-N (NKE)

Технические характеристики

Обозначение : RCJTY20-N

Производитель : NKE

Диаметр внутренний, мм : 20

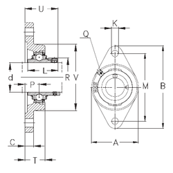
Технические данные из каталога производителя :

Внутренний диаметр (d) - 20 мм.

Размер (P) - 19

Размер (V) - 61

Размер (U) - 37,3

Размер (K) - 11,5

Размер (A) - 61 мм.

Размер (B) - 112 мм.

Размер (C) - 10 мм.

Размер (L) - 31

Размер (M) - 90 мм.

Размер (T) - 28

Резьба (G) - R1/8“

Масса - 0,49 Кг

Количество дорожек качения - 1

Уплотнение - Есть

Цены указаны ознакомительные, для уточнения цены и наличия просим связаться с нами по телефону, или отправить заявку на почту - sales@specprompodshipnik.ru или по тел.: +7(499) 369-70-54

Возврат к списку