Подшипник RCJTY2-7/16 (INA)

Подшипник RCJTY2-7/16 (INA)

Технические характеристики

Обозначение : RCJTY2-7/16

Производитель : INA

Диаметр внутренний, мм : 61,913

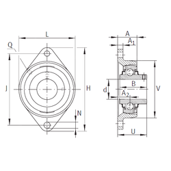
Технические данные из каталога производителя :

Внутренний диаметр (d) - 61,913 мм.

Размер (V) - 140,005

Размер (U) - 73,711

Резьба (Q) - 1/8 NPT

Размер (A) - 49,505 мм.

Размер (A1) - 18,009 мм.

Размер (B) - 65,1 мм.

Размер (H) - 238,989 мм.

Размер (J) - 202,006 мм.

Размер (L) - 140,005

Размер (N) - 18,009 мм.

Размер (A2) - 34,011

Масса - 3,606 Кг

Количество дорожек качения - 1

Уплотнение - Есть

Цены указаны ознакомительные, для уточнения цены и наличия просим связаться с нами по телефону, или отправить заявку на почту - sales@specprompodshipnik.ru или по тел.: +7(499) 369-70-54

Возврат к списку