Подшипник RCJTY2-3/16 (INA)

Подшипник RCJTY2-3/16 (INA)

Технические характеристики

Обозначение : RCJTY2-3/16

Производитель : INA

Диаметр внутренний, мм : 55,563

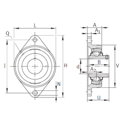
Технические данные из каталога производителя :

Внутренний диаметр (d) - 55,563 мм.

Размер (V) - 134,493

Размер (U) - 64,389

Резьба (Q) - 1/8 NPT

Размер (A) - 45,999 мм.

Размер (A1) - 16,993 мм.

Размер (B) - 55,601 мм.

Размер (H) - 226,009 мм.

Размер (J) - 183,998 мм.

Размер (L) - 134,493

Размер (N) - 16,993 мм.

Размер (A2) - 30,988

Масса - 3,497 Кг

Количество дорожек качения - 1

Уплотнение - Есть

Цены указаны ознакомительные, для уточнения цены и наличия просим связаться с нами по телефону, или отправить заявку на почту - sales@specprompodshipnik.ru или по тел.: +7(499) 369-70-54

Возврат к списку