Подшипник RCJTY1-7/16 (INA)

Подшипник RCJTY1-7/16 (INA)

Технические характеристики

Обозначение : RCJTY1-7/16

Производитель : INA

Диаметр внутренний, мм : 36,513

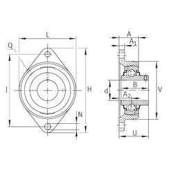
Технические данные из каталога производителя :

Внутренний диаметр (d) - 36,513 мм.

Размер (V) - 92,507

Размер (U) - 46,406

Резьба (Q) - 1/8 NPT

Размер (A) - 34,493 мм.

Размер (A1) - 13,995 мм.

Размер (B) - 42,901 мм.

Размер (H) - 156,007 мм.

Размер (J) - 129,997 мм.

Размер (L) - 92,507

Размер (N) - 13,995 мм.

Размер (A2) - 21,006

Масса - 1,27 Кг

Количество дорожек качения - 1

Уплотнение - Есть

Цены указаны ознакомительные, для уточнения цены и наличия просим связаться с нами по телефону, или отправить заявку на почту - sales@specprompodshipnik.ru или по тел.: +7(499) 369-70-54

Возврат к списку