Подшипник RCJT70 (NKE)

Подшипник RCJT70 (NKE)

Технические характеристики

Обозначение : RCJT70

Производитель : NKE

Диаметр внутренний, мм : 70

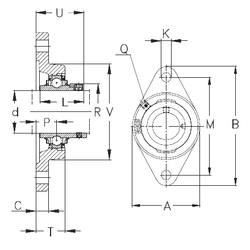
Технические данные из каталога производителя :

Внутренний диаметр (d) - 70 мм.

Размер (P) - 38

Размер (V) - 160

Размер (U) - 82,6

Размер (K) - 21

Размер (A) - 160 мм.

Размер (B) - 258 мм.

Размер (C) - 18 мм.

Размер (L) - 66,1

Размер (M) - 216 мм.

Размер (R) - 96 мм.

Размер (T) - 57

Резьба (G) - R1/8“

Масса - 6,15 Кг

Количество дорожек качения - 1

Уплотнение - Есть

Цены указаны ознакомительные, для уточнения цены и наличия просим связаться с нами по телефону, или отправить заявку на почту - sales@specprompodshipnik.ru или по тел.: +7(499) 369-70-54

Возврат к списку