Подшипник RCJT45 (NKE)

Подшипник RCJT45 (NKE)

Технические характеристики

Обозначение : RCJT45

Производитель : NKE

Диаметр внутренний, мм : 45

Технические данные из каталога производителя :

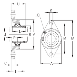
Внутренний диаметр (d) - 45 мм.

Размер (P) - 24

Размер (V) - 111

Размер (U) - 58,9

Размер (K) - 14

Размер (A) - 111 мм.

Размер (B) - 180 мм.

Размер (C) - 13 мм.

Размер (L) - 56,3

Размер (M) - 148,5 мм.

Размер (R) - 63 мм.

Размер (T) - 35

Резьба (G) - R1/8“

Масса - 1,81 Кг

Количество дорожек качения - 1

Уплотнение - Есть

Цены указаны ознакомительные, для уточнения цены и наличия просим связаться с нами по телефону, или отправить заявку на почту - sales@specprompodshipnik.ru или по тел.: +7(499) 369-70-54

Возврат к списку