Подшипник RCJT35-N (NKE)

Подшипник RCJT35-N (NKE)

Технические характеристики

Обозначение : RCJT35-N

Производитель : NKE

Диаметр внутренний, мм : 35

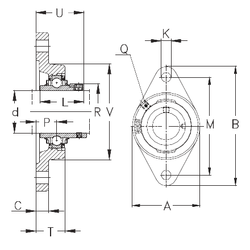
Технические данные из каталога производителя :

Внутренний диаметр (d) - 35 мм.

Размер (P) - 21

Размер (V) - 92

Размер (U) - 53,3

Размер (K) - 14

Размер (A) - 92 мм.

Размер (B) - 155 мм.

Размер (C) - 12,5 мм.

Размер (L) - 51,1

Размер (M) - 130 мм.

Размер (R) - 51 мм.

Размер (T) - 30,5

Резьба (G) - R1/8“

Масса - 1,19 Кг

Количество дорожек качения - 1

Уплотнение - Есть

Цены указаны ознакомительные, для уточнения цены и наличия просим связаться с нами по телефону, или отправить заявку на почту - sales@specprompodshipnik.ru или по тел.: +7(499) 369-70-54

Возврат к списку