Подшипник RCJT15/16 (INA)

Подшипник RCJT15/16 (INA)

Технические характеристики

Обозначение : RCJT15/16

Производитель : INA

Диаметр внутренний, мм : 23,813

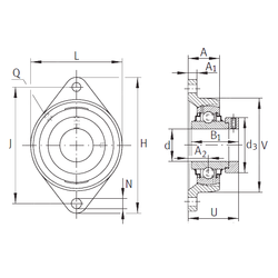
Технические данные из каталога производителя :

Внутренний диаметр (d) - 23,813 мм.

Размер (V) - 70,993

Размер (U) - 45,999

Резьба (Q) - 1/8 NPT

Размер (d3) - 37,49 мм.

Размер (A) - 27,508 мм.

Размер (A1) - 11,989 мм.

Размер (B) - 44,501 мм.

Размер (H) - 124,993 мм.

Размер (J) - 99,009 мм.

Размер (L) - 70,993

Размер (N) - 11,506 мм.

Размер (A2) - 18,999

Масса - 0,721 Кг

Количество дорожек качения - 1

Уплотнение - Есть

Цены указаны ознакомительные, для уточнения цены и наличия просим связаться с нами по телефону, или отправить заявку на почту - sales@specprompodshipnik.ru или по тел.: +7(499) 369-70-54

Возврат к списку