Подшипник RCJT1-3/4 (INA)

Подшипник RCJT1-3/4 (INA)

Технические характеристики

Обозначение : RCJT1-3/4

Производитель : INA

Диаметр внутренний, мм : 44,45

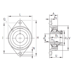
Технические данные из каталога производителя :

Внутренний диаметр (d) - 44,45 мм.

Размер (V) - 111,989

Размер (U) - 59,106

Резьба (Q) - 1/8 NPT

Размер (d3) - 62,992 мм.

Размер (A) - 38,506 мм.

Размер (A1) - 15,011 мм.

Размер (B) - 56,49 мм.

Размер (H) - 180,492 мм.

Размер (J) - 148,514 мм.

Размер (L) - 111,989

Размер (N) - 13,995 мм.

Размер (A2) - 24,003

Масса - 2,077 Кг

Количество дорожек качения - 1

Уплотнение - Есть

Цены указаны ознакомительные, для уточнения цены и наличия просим связаться с нами по телефону, или отправить заявку на почту - sales@specprompodshipnik.ru или по тел.: +7(499) 369-70-54

Возврат к списку